硬件资料#

硬件概述#

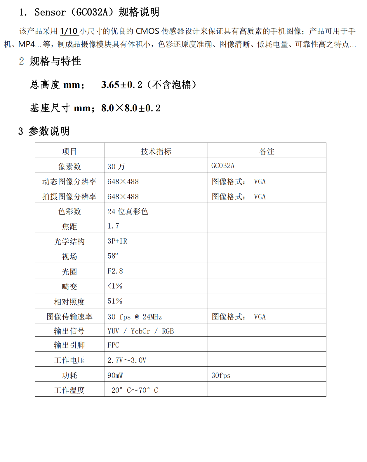
基本信息

管脚定义

购买链接#

当前仅与Core-Air105核心板一同售卖, 批量购买请联系销售人员

https://item.taobao.com/item.htm?id=665811924219