Contents Menu Expand Light mode Dark mode Auto light/dark mode
LuatOS 文档
(NEW) Go to English site
前往中文站点
Discord
Light Logo Dark Logo

💁 LuatOS 介绍

  • 🏠️ 首页
  • 🕹️ 在线体验LuatOS
  • 🛠 LuatOS工具大全
  • 💬 技术支持

🌠 快速上手

  • 🌙 Lua教程
    • 基础语法
    • LuaTask框架
  • 🧮 芯片和开发板
    • 📊 芯片对照选型表
    • 📶 Air780EP(EC718P系列通用)
      • Air780EP模组(EC718P系列通用)
      • 硬件资料
      • LuatOS固件下的IO复用配置
      • Ec718p系列固件发行注记
      • Air780EPV的额外说明
      • Air780EPVH的额外说明
    • 📶 Air780E(EC618系列通用)
      • Air780E模组(EC618系列通用)
      • 开发板
      • 硬件资料
      • 量产刷机的说明
      • 网络特性
      • LuatOS固件下的IO复用配置
      • Air780EG的额外说明
      • Air700E的额外说明
      • TTS功能的说明
      • 固件说明
      • FOTA升级及升级包的生成
      • Air780E_PCB
      • EC618系列固件发行注记
    • 📶 Air780EP(EC718P系列通用)
      • Air780EPS模组
      • Air780EPS模组固件发行注记
    • 📡 PC模拟器
      • 使用方法
      • 模拟器的代码库
      • 生成和管理luadb文件
    • 🚢 卫星导航GNSS
      • Air510U
      • Air530Z
      • 辅助定位AGPS
      • 与通信模块一起使用(例如4G模块)
      • 其他定位方式简介
    • 核心软件LuaTools
      • 功能介绍
      • LuaTools版本历史
    • 🛴 Air001
      • Air001芯片
      • 开发板
      • 硬件资料
      • Air001基于Keil MDK的用户手册
      • Air001基于Arduino的用户手册
      • Air001_PCB
    • 🚲 Air32F103
      • AIR32F103芯片
      • 开发板
      • 硬件资料
      • Air32F103使用手册
      • 从SXX32F103移植
      • 强化功能使用说明
      • DAPLink使用手册
      • Air32F103_PCB
      • BluePill_PCB
    • 📡 Air601
      • Air601
      • Air601-12F开发板
      • Air601硬件资料
      • 固件发行注记
      • 关于mac地址的说明
      • 使用合宙IOT平台进行升级
      • SPI从机功能
    • 🚗 Air101
      • Air101芯片
      • 开发板
      • 硬件资料
      • Air101硬件设计教程
      • Air101入门手册
      • Air101_PCB
      • Air101功耗曲线
    • 🚗 Air103
      • Air103芯片
      • 开发板
      • 硬件资料
      • 段码屏/段式屏的功能说明
      • 触摸传感器/触摸按键
      • Air103_PCB
      • Air103功耗曲线
    • 🚗 Air105
      • Air105芯片
      • Air105开发板
      • 硬件资料
      • Air105_PCB
      • Air105功耗曲线
      • Air105脚本加密
    • 📡 ESP32-C3
      • ESP32C3-CORE开发板
      • 硬件资料
      • ESP32-C3_PCB
      • ESP32C3功耗曲线
      • 更换flash教程
      • 发行注记
    • 📡 ESP32-S3
      • ESP32S3-CORE开发板
      • 硬件资料
      • ESP32-S3_PCB
      • 随身wifi的资料合集
    • 📡 RP2040
      • RP2040_PCB
    • 🚲 SWM181CBT6
      • SWM181CBT6芯片
      • 开发板
      • 硬件资料
      • SWM181使用手册
      • SWM181_PCB
    • 📶 Air302
      • Air302模组
      • 开发板
      • 硬件资料
    • 📡 Air640w
      • Air640w
      • 开发板
      • 硬件资料
    • 🚗 W806
    • 性能测试(基于coremark)
    • 设备支持情况/Supported Devices
    • 常见问题列表
    • Air724UG
    • Air820UG
  • 🧷 外设扩展资料
    • Air10x系列屏幕扩展板
      • 硬件资料
      • 使用示例
    • EINK1.54墨水屏
      • 硬件资料
      • 使用示例
    • 1.8寸TFT LCD 分辨率128x160
      • 硬件资料
      • 使用示例
    • 2.4寸TFT_LCD彩屏 分辨率240x320
      • 硬件资料
      • 使用示例
    • 1.54寸TFT_LCD 分辨率240x240
      • 硬件资料
      • 使用示例
    • Air105配套GC032A摄像头
      • 硬件资料
      • 使用示例
    • 高通字体芯片
      • 硬件资料
      • 使用示例
  • 📚 开发教程
    • 推荐学习线路
    • 开发环境搭建
    • 烧录教程
    • API教程
      • log
      • sys
      • adc
      • CRYPTO
      • fdb
      • DISP
      • i2c
        • air101
        • air103
        • air105
      • spi
        • air101
        • air103
        • air105
      • uart
        • air101
        • air103
        • air105
      • LCD驱动屏幕
      • mcu
        • air101
        • air103
        • air105
      • PM
      • pwm
        • air101
        • air103
        • air105
      • RTC
      • sfd
      • sfud
        • air101
        • air103
        • air105
      • timer
  • 固件下载

📖 参考手册

  • 🍴 LuatOS-SOC接口文档
    • 适配状态
    • adc - 模数转换
    • antbot - 蚂蚁链
    • audio - 多媒体-音频
    • bit64 - 32位系统上对64位数据的基本算术运算和逻辑运算
    • camera - 摄像头
    • can - can操作库
    • cc - VoLTE通话功能
    • codec - 多媒体-编解码
    • coremark - 跑分
    • crypto - 加解密和hash函数
    • dac - 数模转换
    • disp - disp库(已废弃)
    • eink - 墨水屏操作库
    • ercoap - 新的Coap协议解析库
    • errDump - 错误上报
    • fastlz - FastLZ压缩
    • fatfs - 读写fatfs格式
    • fdb - kv数据库,掉电不丢数据
    • fonts - 字体库
    • fota - 底层固件升级
    • fs - 文件系统额外操作
    • fskv - kv数据库,掉电不丢数据
    • ftp - ftp 客户端
    • gmssl - 国密算法(SM2/SM3/SM4)
    • gpio - GPIO操作
    • gtfont - 高通字库芯片
    • hmeta - 硬件元数据
    • ht1621 - 液晶屏驱动(HT1621/HT1621B)
    • http - http 客户端
    • httpsrv - http服务端
    • i2c - I2C操作
    • i2s - 数字音频
    • iconv - iconv操作
    • io - io操作(扩展)
    • ioqueue - io序列操作
    • iotauth - IoT鉴权库, 用于生成各种云平台的参数
    • iperf - 吞吐量测试
    • ir - 红外遥控
    • json - json生成和解析库
    • keyboard - 键盘矩阵
    • lcd - lcd驱动模块
    • lcdseg - 段式lcd
    • libcoap - coap数据处理
    • libgnss - NMEA数据处理
    • little_flash - LITTLE FLASH 软件包
    • log - 日志库
    • lora - lora驱动模块
    • lora2 - lora2驱动模块(支持多挂)
    • lvgl - LVGL图像库
    • max30102 - 心率模块(MAX30102)
    • mcu - 封装mcu一些特殊操作
    • miniz - 简易zlib压缩
    • mlx90640 - 红外测温(MLX90640)
    • mobile - 蜂窝网络
    • mqtt - mqtt客户端
    • natp - 网络地址端口转换(开发中)
    • nes - nes模拟器
    • netdrv - 网络设备管理
    • nimble - 蓝牙BLE库(nimble版)
    • onewire - 单总线协议驱动
    • os - os操作
    • otp - OTP操作库
    • pack - 打包和解包格式串
    • pin - 管脚命名映射
    • pins - 管脚外设复用
    • pm - 电源管理
    • protobuf - ProtoBuffs编解码
    • pwm - PWM模块
    • repl - “读取-求值-输出” 循环
    • rsa - RSA加密解密
    • rtc - 实时时钟
    • rtos - RTOS底层操作库
    • sdio - sdio
    • sensor - 传感器操作库
    • sfd - SPI FLASH操作库
    • sfud - SPI FLASH sfud软件包
    • sms - 短信
    • socket - 网络接口
    • softkb - 软件键盘矩阵
    • spi - spi操作库
    • sqlite3 - sqlite3数据库操作
    • statem - SM状态机
    • string - 字符串操作函数
    • sys - sys库
    • sysplus - sys库的强力补充
    • timer - 操作底层定时器
    • touchkey - 触摸按键
    • tp - 触摸库
    • u8g2 - u8g2图形处理库
    • uart - 串口操作库
    • ulwip - 用户空间的lwip集成(开发中)
    • usbapp - USB功能操作
    • w5500 - w5500以太网驱动
    • wdt - watchdog操作库
    • websocket - websocket客户端
    • wlan - wifi操作
    • wlanraw - WLAN数据RAW传输
    • ws2812 - 幻彩灯带RGB控制器(WS2812系列)
    • xxtea - xxtea加密解密
    • yhm27xx - yhm27xx充电芯片
    • ymodem - ymodem协议
    • zbuff - c内存数据操作库
    • zlib - zlib压缩/解压缩(已废弃)
  • 📮 sys系统消息
  • 🌕 原生API手册
  • 👓 CSDK开发手册
  • 🥢 扩展库接口文档
    • ads1115 - ads1115 模数转换器
    • ads1115plus - ADS1115驱动
    • adxl34x - adxl34x 3轴加速度计 目前支持 adxl345 adxl346
    • aht10 - aht10 温湿度传感器
    • air153C_wtd - 添加软件看门狗功能,防止死机
    • airlbs - airlbs 定位服务(收费服务,需自行联系销售申请)
    • ak8963 - ak8963 地磁传感器
    • aliyun - AliYun阿里云物联网平台
    • am2320 - am2320 温湿度传感器
    • ap3216c - ap3216c 光照传感器
    • bh1750 - bh1750 数字型光强度传感器
    • bmx - bmx 气压传感器 目前支持bmp180 bmp280 bme280 bme680 会自动判断器件
    • cht8305c - cht8305c 温湿度传感器
    • dhcpsrv - DHCP服务器端
    • dnsproxy - DNS代理转发
    • ds3231 - ds3231 实时时钟传感器
    • ec11 - ec11 旋转编码器
    • gt911 - gt911 驱动
    • gy53l1 - gy53l1激光测距传感器
    • httpdns - 使用Http进行域名解析
    • httpplus - http库的补充
    • ina226 - ina226 驱动
    • iotcloud - iotcloud 云平台库 (已支持: 腾讯云 阿里云 onenet 华为云 涂鸦云 百度云 Tlink云 其他也会支持,有用到的提issue会加速支持)
    • l3g4200d - l3g4200d 三轴数字陀螺仪传感器
    • lbsLoc - lbsLoc 发送基站定位请求
    • lbsLoc2 - 基站定位v2
    • libfota - libfota fota升级
    • libfota2 - fota升级v2
    • libnet - libnet 在socket库基础上的同步阻塞api,socket库本身是异步非阻塞api
    • lis2dh12 - lis2dh12 三轴传感器
    • lm75 - lm75 温度传感器 支持lm75a lm75b
    • max31856 - max31856 热电偶温度检测
    • mcp2515 - mcp2515 CAN协议控制器驱动
    • mlx90614 - mlx90614 红外温度
    • modbus_rtu - modbus_rtu MODBUS_RTU协议
    • mpu6xxx - mpu6xxx 六轴/九轴传感器 支持 mpu6500,mpu6050,mpu9250,icm2068g,icm20608d
    • necir - necir NEC协议红外接收
    • netLed - netLed 网络状态指示灯
    • openai - 对接OpenAI兼容的平台,例如deepseek
    • pca9685 - pca9685 16路PWM驱动舵机
    • pcf8563t - pcf8563t时钟模块
    • pcf8574 - pcf8574 IO扩展
    • qmc5883l - qmc5883l 地磁传感器
    • rc522 - rc522 非接触式读写卡驱动
    • rtkv - 远程KV数据库
    • sc7a20 - sc7a20
    • shift595 - shift595 74HC595芯片
    • si24r1 - si24r1 驱动
    • spl06 - spl06_01 气压传感器
    • tcs3472 - tcs3472 颜色传感器
    • tm1637 - tm1637 数码管
    • tm1640 - tm1640 数码管和LED驱动芯片
    • tm1650 - tm1650 数码管和按键扫描芯片
    • tsl2561 - tsl2561 光强传感器
    • udpsrv - UDP服务器
    • vl6180 - VL6180激光测距传感器
    • xmodem - xmodem 驱动
    • ze08g_ch2o - ZE08G-CH2O 电化学甲醛模组
    • zh07 - ZH07 激光粉尘传感器
  • 社区扩展库

🖥️ 内核开发

  • 👨‍💻 编译源码
    • ☁️ 云编译
    • 📶 Air780E编译指南
    • 📶 Air780EP编译指南
    • 🚗 Air101 / Air103
    • 🚗 Air105
    • 📡 ESP32系列编译文档
    • 🖥️ Win32
    • 🖥️ Linux
    • 📡 Air640w
    • 📶 Air302
  • 📁 开发文档
    • 开发实践
      • 添加自定义函数(急速版)
      • 添加自定义库和函数(完整版)
      • Lua库文件编写指南(纯lua编写)
      • C接口实现Task等待功能
      • 命令行刷机指南
    • 开发资料
      • LuatOS-SoC的文件系统
      • 详解lua的string与hex数据(十六进制)
      • LuaDB 文件格式
      • LuatOS-SoC通用固件格式soc
  • ❤️ 贡献代码
    • 编码规范
    • 添加新库
    • 设计文档
      • 核心层
        • Luat核心
        • Luat调试器
        • 文件系统
        • 内存池
        • 消息总线
        • Luat 平台层
        • 电源及低功耗管理
        • Luat定时器
        • C风格的缓冲区
        • C接口实现Task等待功能
        • C风格的结构体
      • 外设API
        • GPIO
        • IR
        • SPI
        • UART
        • WLAN

💼 实战参考

  • ⌨️ 应用开发
    • 外设
      • LuatOS-Soc驱动WS2812教程
    • lvgl
      • LVGL for LuatOS 手册
      • 简介
      • LVGL基础
      • LVGL组件
      • LVGL进阶
      • 注意事项
    • 视频播放
      • Air105视频播放

🗄️ 其他资料

  • ⏳ IoT Power功耗测试神器
    • 🔋 IoT Power - V1
    • ⚡ IoT Power - CC
      • 技术指标
      • 连接与组装
      • 操作说明
      • 常见问题
    • 🔍 版本对比
    • 🖥 PC客户端
  • 🗃️ 资料存档
    • Luat框架
    • Luat框架(进阶-底层机制)
    • Lua 5.3 参考手册
Back to top

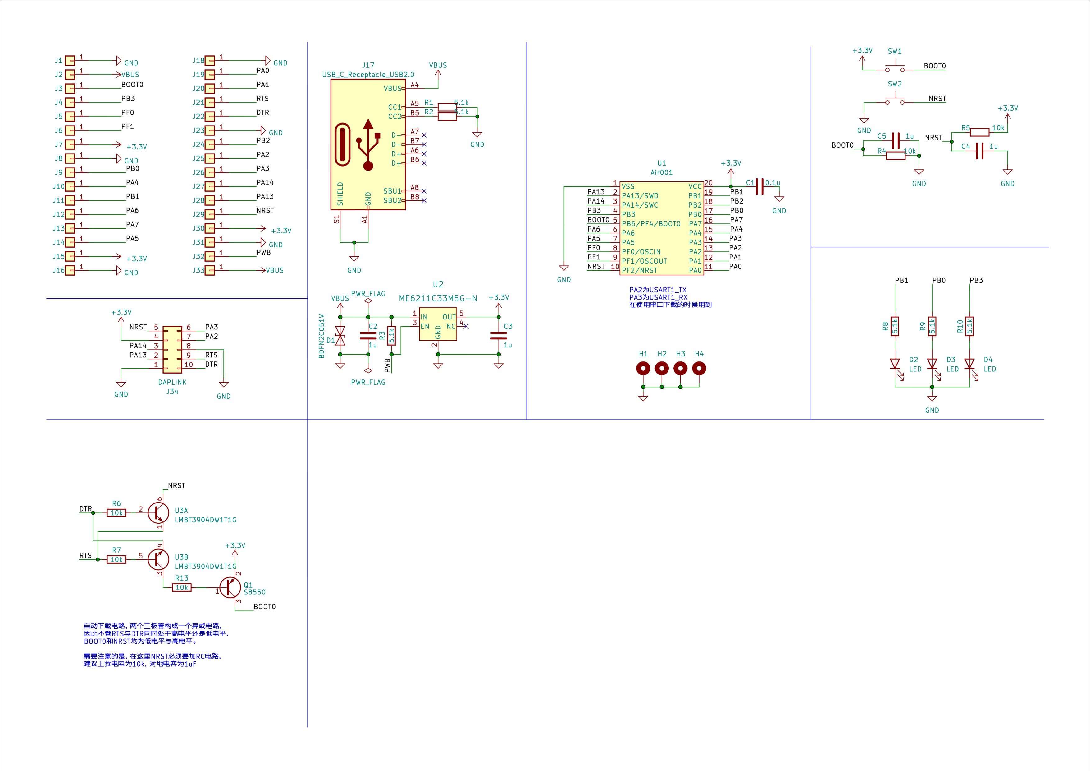
硬件资料#

资料文件#

AIR001芯片数据手册.pdf

开发板资料#

air001_hw

PCB Layout

Next
Air001基于Keil MDK的用户手册
Previous
开发板
Copyright © LuatOS团队 | 下载离线版文档

目录
  • 硬件资料
    • 资料文件
    • 开发板资料